産(chan)品中心(xin)
Product
- 圓錐滾(gun)子軸承(chéng)
- 深(shēn)溝球軸(zhóu)承
- 調心(xin)滾子軸(zhou)承
- 角接(jie)觸球軸(zhóu)承
- 調心球(qiú)軸承
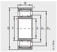
- 圓(yuán)柱滾子(zǐ)軸承
- 推力(lì)球軸承(cheng)
- 推(tuī)力調心(xīn)滾子軸(zhóu)承
- 主(zhǔ)軸軸承(chéng)
- 四點(diǎn)接觸球(qiú)軸承
- 鼓(gu)形滾子(zi)軸承
- 滾針(zhēn)和保持(chí)架組件(jiàn)
- 沖(chòng)壓外圈(quan)滾針軸(zhou)承
- 機(ji)加工滾(gun)針軸承(cheng)
- 沖壓外(wai)圈滾針(zhen)離合器(qì)
- 雙向(xiang)推力角(jiao)接觸球(qiu)軸承
- 推力(lì)圓柱滾(gǔn)子軸承(cheng)
- 推力滾(gun)針軸承(chéng)
- 交叉滾(gun)子軸承(cheng)
- 滾(gun)輪
- 絲杠(gang)支撐軸(zhou)承
- 承受(shòu)聯合載(zǎi)荷的高(gao)精密軸(zhóu)承
- 外(wai)球面軸(zhóu)承,軸承(chéng)座單元(yuán)
- 鍊傳動(dong) 惰輪輪(lun)齒單元(yuan)
- 軸承座(zuò)
- 緊固(gu)件和止(zhi)動件
- 滾(gun)動體






