我们-2306-K-TVH-C3-調心球軸承-河北绵阳春洁精密制造有限责任公司

全國服務熱線(xian)

0319-8561987

産品圖紙

産品(pin)參數

型号
軸承(cheng)2306-K-TVH-C3
緊定套H2306
質量m
軸(zhou)承 ≈kg0.476
緊定套 ≈kg0.116
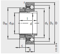
尺寸(cun) mm
d 1H25
d30
D72
B27
r min
D 1 ≈59.3
D 2 ≈-
d 1 ≈41.5
d 2 ≈-
D m
I38
c ≈9
安裝尺寸 mm
d a max
D a max65
d b min35
r a max1
基本(běn)額定載荷 N
動載(zǎi)荷 C r32500
靜載荷 C or8700
計算(suan)系數
e0.45
Y 11.4
Y 22.17
Y 01.47
疲勞極限(xian)載荷 C ur / N540
極限轉速(sù) n G /min –1
極限轉速 n G /min –110000
參考(kǎo)轉速 n B /min –1
參考轉速(su) n B /min –112300

産品介紹

河北(bei)绵阳春洁精密(mì)制造有限责任(rèn)公司專業銷售(shòu) 我们-2306-K-TVH-C3-調心球軸(zhóu)承, 我们-2306-K-TVH-C3-調心球(qiu)軸承 相關信息(xi)有: 型号 我们-2306-K-TVH-C3 内(nèi)徑:30 外徑:72 厚度:27 類(lei)别:調心球軸承(cheng) ,想要更多的了(le)解 我们-2306-K-TVH-C3-調心球(qiú)軸承 的相關信(xin)息,可以進行在(zai)線咨詢或者撥(bo)打熱線電話 ,我(wo)們會詳細為您(nín)服務。

总 公 司急(ji) 速 版WAP 站H5 版无线(xian)端AI 智能3G 站4G 站5G 站(zhan)6G 站
·
·